DOCSIS 3.1將產業頻率從1GHz、870MHz,甚至可能只有750MHz提高至1.2GHz,而DOCSIS 4.0則將頻率提高至1.8GHz。為了滿足日益成長的更高上游資料速率需求,發展勢在必行。
如今,在家辦公的人比以往任何時候都多。雖然這無疑突顯了寬頻網路中針對上行通訊的需求,但遠端工作並不是上行需求的唯一主要驅動因素。人們正處於互動式娛樂新浪潮的風口浪尖,在這期間,觀眾不再是被動,而是積極的參與者。試想一下體育運動將如何改變:觀眾不僅可以透過聊天,還可以透過直播影片與朋友互動。此外,觀眾還可以在比賽期間進行即時的「小額押注」。除了押注在獲勝方,玩家還能夠在比賽過程中針對各種動態因素進行下注,比如下一次得分的是誰。
這只是一個需要更大上行容量的應用,另外還有一般的互動式娛樂、遊戲、智慧家庭應用等。為了讓顧客滿意,供應商需要提供更多頻寬。
擴展頻寬
在美國,HFC網路通常會為上行流量分配5MHz到42MHz。隨著使用者繼續提高可用頻寬的負載量,上行資料速率成為網路性能的限制因素。簡單地說,根本沒有足夠的上行容量來支援每個使用者的更多資料。
為滿足更高的上行頻寬需求,多系統營運商(MSO)開始考慮將上行增加到中分頻(頻寬從5MHz增加至85MHz)或高分頻(頻寬從5MHz至204MHz)。DOCSIS 4.0規範提供了300MHz、396MHz、492MHz甚至684MHz的分頻(圖1)。

然而,增加上行頻寬可能意謂著減少下行頻寬以及刪減內容或服務。為避免在增加上行頻寬的同時減少下行頻寬,MSO將充分利用DOCSIS 3.1或DOCSIS 4.0規範。當升級上行頻寬時,它們會將下行頻寬推至更高頻率。MSO可利用DOCSIS 3.1將頻率擴展至1.2GHz,而DOCSIS 4.0則利用兩個選項:全雙工(FDX)頻譜,在該頻譜範圍內,上行和下行共用相同的頻率範圍(高達684MHz)(圖2),或擴展頻譜DOCSIS(ESD),在該頻譜範圍內,最高頻率擴展至1.8GHz。

遷移至DOCSIS 3.1時,MSO最好考慮一下應如何以及何時過渡至DOCSIS 4.0。此外,遠端工作已經超越了現有基礎設施的極限,而且這種需求很可能在未來幾年內繼續成長。
業界一致認為實現更高頻寬和資料速率需要進行網路升級。為了實現這一點,需要一個全新的被動和主動產品組合。主動設備意謂著系統需要更高線性輸出功率的放大器,以維持HFC網路中的傳統頻率水準(最高1GHz),還能傳輸額外通道(最高1.2GHz,甚至可達1.8GHz)(圖3)。總之,為增加頻寬以及提高資料速率,有線電視放大器需要更高的線性輸出功率。

要求線性度
HFC網路旨在將資料從頭端傳輸至下行的使用者纜線數據機(Cable Modem),然後將資料返回至上行的頭端。資料透過經過調變的單載波通道傳輸,並在採用DOCSIS 3.1時,透過載入在可用頻寬頻譜中的正交分頻多工(OFDM)通道傳輸。HFC裝置中的放大器將放大訊號,以補償線纜損耗。線纜末端的訊號品質必須足夠好,以便在沒有誤差的情況下解調訊號。
主動元件(如增益單元)的非線性度會降低訊號品質。過去,這種失真在觀看類比電影頻道時是比較明顯的。一個頻道會受到其他電視頻道的影響,並因此扭曲失真。如今,數位通道會出現位元錯誤(Bit Error)或者根本無法解調訊號的情況。對於OFDM通道來說,這可能意謂著需要選擇更低的調變速率,進而以更低的資料速率傳輸訊號。換言之,增益單元或放大器的線性度越好,訊號品質就越好,網路中可實現的資料速率就越高。
增益單元或放大器的線性度取決於各種因素,包括半導體技術、電路設計、功耗和熱設計。增加頻寬越來越寬的通道時,需考慮並優化所有這些因素,以滿足資料速率要求。
GaN優勢
線性度和效率是HFC放大器設計的主要考慮因素(圖4)。透過提高效率,放大器能夠以相同的DC功耗實現更高的線性輸出功率。這樣一來,設計人員就可以實現更寬的頻寬和更高的資料速率,延長放大器之間的距離以滿足更長遠的需求,並大幅提高可靠性。下行性能,尤其是與HFC放大器或節點的線性輸出功率相關的性能,取決於輸出級增益單元,或所謂功率倍增器的性能。因此,仔細瞭解這些元件是有意義的。

增益單元的初始演進步驟之一是從矽(Si)過渡至砷化鎵(GaAs)半導體。GaAs具有更高的電子遷移率,因此可以實現更高的頻率和更寬的頻寬。此外,使用FET的GaAs電晶體可以直接安裝在散熱器上,因此與需要隔離層的矽雙極電晶體相比,具有更出色的熱結構。最後,由於其平方定律特性:ID=Idss×(1–Vgs/Vp)2,採用FET的GaAs具有更低的三階失真性能。
下一個主要的技術革新就是氮化鎵(GaN)。在創造滿足DOCSIS 3.1和DOCSIS 4.0標準要求且具有更高效率和性能的功率放大器上,GaN是一項關鍵技術。與相同功率的其他技術相比,GaN還具有更高的可靠性和更長的運行壽命。
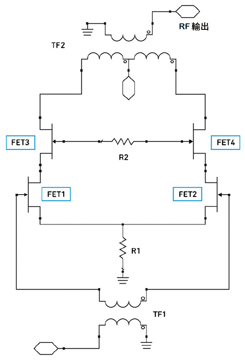
圖5為有線電視增益單元的簡化原理圖。它在推挽配置(平衡設計)中採用了兩個共源共柵,以消除二階失真並實現多倍頻寬。在可用於此類拓撲結構時,採用FET的GaAs技術改變了整個產業,且其現在仍可用於目前先進的有線電視增益單元放大器。利用GaN技術的可用性,透過使用GaN元件更換FET3和FET4,可對該現有架構進行改進。在維持架構不變的情況下,利用GaN固有的技術特性,可顯著提高系統的性能。

GaN技術將持續發展,而GaAs和GaN技術使功率放大器設計人員能夠利用不斷優化的GaAs基和GaN基半導體的最新發展,以應對和超越DOCSIS 3.1和DOCSIS 4.0所要求,更大頻寬和更高線性輸出的嚴峻挑戰。
如表1所示,GaN基元件增益單元可為Si和GaAs提供良好性能。Si增益單元在特定配置下支援較高的頻率,但並不提供高電壓耐用性或高電流密度。就GaAs而言,它可以在高頻率下運行,卻不能提供高電壓耐用性或所需的高電流密度。
然而,GaN可以在高頻率下運行,並提供高電壓耐用性、高電流密度以及足夠的熱傳導率和功率處理能力。GaN可透過其更高功率密度來實現這一點,與功率密度只有1W/mm的GaAs相比,GaN的功率密度高達10W/mm。GaN的幾何尺寸更小,進而可以降低元件電容,同時實現更大頻寬,並可降低損耗,進而實現更高的增益和效率。
製造GaN半導體的基板材料有許多種。如有業者如Qorvo採用碳化矽基氮化鎵(GaN-on-SiC)基板,因為這項技術可實現較良好的熱傳導率,並具有較高可靠性,平均故障時間(MTTF)約為1×106。這種可靠性源自更高功率密度和在更高通道溫度條件下運行的能力。這意謂著使用GaN-on-SiC的增益單元可以輸出更多功率而不會導致元件溫度升高。在熱傳導率方面,GaAs的性能最差(約為0.5W/cm-K),Si次之(僅約為1.5W/cm-K)。相比之下,GaN-on-SiC的熱傳導率明顯更高(約為3.3W/cm-K)。
總之,利用GaN技術的優勢,MSO可以在提高線性輸出功率時維持現有放大器的間距。這反過來又可將升級成本降至較低,並實現深入光纖解決方案,因此MSO可以在減少或移除放大器的同時,將光纖移至離顧客更近的地方,以提供更優質的服務。這種方法可提高至家庭的潛在資料速率,同時降低功耗和維護成本。總之,這些特性使GaN技術成為HFC放大器設計中作為輸出級的有線電視增益單元的理想選擇之一。
生產製造和測試
如Qorvo便推出採用GaN-on-SiC的有線電視增益單元,很快就成了高性能的理想技術。
該公司提供適用於DOCSIS 3.0、DOCSIS 3.1和DOCSIS 4.0的RF解決方案組合。其中適用於DOCSIS 3.1和FDX DOCSIS 4.0網路大功率深度光纖應用的倍增器混合元件,線性輸出功率最高可達1.2GHz,而對於DOCSIS 4.0所適用的功率倍增器混合元件支援1.8GHz的應用,兩者均可提供23dB增益以及良好的線性度。如前文所述,線性度和仔細的熱設計對於實現效率最大化至關重要。因此,熱設計和相關的組裝和封裝技術對可靠性和耐用性具有直接的影響,尤其是在製造、測試和現場運行期間。
像是Qorvo便提供先進的專用製程,可即時實現HFC設備製造商所需的大規模生產。為確保熱設計合理,該公司在自動化裝配線中採用了先進的組裝和封裝技術、焊接和環氧樹脂連接功能。自動化是每年生產數百萬件的關鍵,同時可滿足有線電視市場的品質和可靠性要求。透過自動化,業者可對元件進行自動雷射微調和調整,以保證盡可能減少元件之間可能存在的變化,同時確保可靠性和可再現性性能。
有線電視系統的測試取決於產品,而開發一種測試方法可能是一項複雜、全面且耗時的任務,因為必須定義、指定和實現測試站,以提供正確的測試類型。
為了進一步保證穩定品質和可靠性,業者在其整個有線電視增益單元生產過程中進行了小訊號和失真測試。此外,測試還包括採用傳統類比負載的多載波(複合)失真測試,或採用單載波QAM或OFDM通道的數位負載失真測試。這樣一來,設備製造商就可以依賴於這樣一個事實,即增益單元元件已經過適當表徵和測試。
DOCSIS 3.1和DOCSIS 4.0可增加頻寬,提高上行容量,使MSO可滿足顧客不斷變化的需求。利用使用GaN的增益單元,有線電視設備製造商可提供可靠系統,並提高整體耐用性和線性輸出功率,進而實現更好的資料傳輸。
(本文作者為Qorvo德國分部設計和營運總經理)
