高速傳輸規格版本發展飛快,為讓消費者安心,產品的推出即須導入測試認證來確保機器之間相互連接的正常。理解測試認證的原理、方法以及精確理解規格用語,對於產品的開發將更為有利。
掌握測試原理 有助於提高產品附加價值
![]() |
| 圖1 Blu-Ray的手持式攝影機內建HDMI |
雖然HDMI規範並非如同ANSI、IEEE等世界公認組織所制定的規範,是由一些廠商的利益團體所規畫。由於能與之相互比擬的介面實在太少,有實力的DisplayPort又出現的太晚,加上先前DVI技術的可信度在前,以及日商、中國大陸、歐美廠商的認同之下,HDMI的產品勢不可擋,參與的廠商為數眾多。於是,在激烈競爭環境下各種產品快速推出(圖1)。
甚至連單價低廉的DVD播放器(圖2)也逐漸冒出HDMI,由於加入HDMI介面的費用不低,因此其成本掌控令人好奇。
![]() |
| 圖2 低價DVD播放器也陸續可見HDMI |
在視訊來源裝置日趨多元之下,通常電視顯示端所具備的端子若是數量不足,電視機內建HDMI端子的數量也不多,因此單一連接端子的產品多見。為此,多數輸入的切換器也漸漸受到視訊玩家的喜愛(圖3),省去連接線插拔的麻煩。
同時,HDMI的認證商標(Logo)問題,很難與消費者溝通清楚究竟買到的是老版本還是新版本,為此,2007年10月開始有新的指令。由於HDMI 1.3支援Deep Color(指色彩深度超越8位元的表示處理傳送)與x.v.Color色空間(指sRGB色空間100%以上的色彩呈現能力),但是列為選項。因此,單單說明支援HDMI 1.3並不允許,必須追加附註所支援的功能。
![]() |
| 圖3 HDMI多輸入切換器產品範例 |
若是如此,理解產品的測量原理有助於產品的開發,這點在高速資料傳輸的產業有其必要性。
有不少人認為測試就是「合格」與「不合格」的判定結果。依據規格標準化團體所定義的規格測試看其結果。基本上此為產品投入市場前的義務,但是對於產品的附加價值並沒有提升。
深諳測試原則的工程師,在設計的階段,就將可能發生問題之處先行克服,即可減少煩人的設計變更與反覆測試。甚至技術高竿的工程師,可將超越規格甚多的過剩品質削減,降低成本,提高產品的價格競爭力。
測試認證越來越重要,與「網路化」、「水平產業的分業化」有所關係。更多的產品可以彼此連接在一起,如家庭網路,不同廠商之間的產品可以連接在一起而創造出新的價值,此為網路化帶來的新應用。
高速/大眾/無線化為資料傳輸趨勢
就資料傳送技術來說,似乎有三個趨勢在導引,分別是高速化、大眾化以及無線化。
就以數米間連接的HDMI來說,差動傳送技術達到3.4Gbit/s的高水平。所以,機器訊號的抖動容許量條件就相當嚴苛。因此,訊號舉動的精確把握,精密的線路設計,就顯得格外重要。另外,測量儀器的投資愈益龐大,以最前端測試認證所用的示波器來說,動輒數新台幣百萬元。
所謂的大眾化,是說基幹網路所用的傳送技術或是電腦技術,被轉化到消費性產品。產品開發者根本難以期待或捉摸所連接的其他廠商產品之優劣程度,此也造就測試認證的項目或是測試條件始終增加的傾向。
由於無線網路的普及,很多的裝置如數位相機、遊戲機都有無線通訊的機能。而無線的測試,牽扯的範圍更廣。除了要注意是否會影響到鄰旁的波段外,還要知道各國的法令。
現在系統供應商最困擾之處,在於經過測試合格賣到市場時,卻依然發現有問題。當然,相互測試規範不停的更新,工程實驗試作品與生產線產品的波動,也是重要的原因。
CTS嚴格把關減少驗證測試誤差
過去在USB的場合,就有兩個鮮明的例子發生。其一為當慢速插拔時,並沒有問題發生;但是在快速插拔時,在某些主機控制器卻無法辨識該裝置,經過確認之後發現,因為某些主機控制器的時序上升時間較為延遲,因而為裝置端所暫停。 另一案例為某些裝置在特定狀態下,無法正確接收主機端送過來的命令,而不能正常運作。經過調查後確認,原來為節省裝置微控制器電力,而將時脈降低,因此,確認介面的週期時間比較長,而無法配合上主機端的存取時序。諸如此類的問題,在規格測試認證之際,幾乎難以發現到。
就HDMI來說,測試設備包含訊號產生器、示波器、時域反射儀(Time Domain Reflectometry, TDR)等,儀器的投資金額相當龐大,且HDMI也如同所有介面一般,有其Logo的定義。目前市面見到的產品幾乎都只打上HDMI四個字,大字底下的旁白均省略。
HDMI規格認證測試也考量到家電用品的市場,測試規範必須嚴格把關,消費者才有購買意願。該測試也是強制性的認證測試,因此,除了具體定義實際的構築環境外,也設置所謂的授權驗證中心(ATC),且規格的維持、管理與授權業務,皆有明確的組織設立。
測試認證的規格書稱為標準符合測試規格(Compliance Test Specification, CTS)。唯有與組織締結契約的會員,才能夠獲得這份規格。CTS內部記載推薦的器材清單、實際的測試方法、判斷基準以及測量結果的統計處理方法,另外亦有ATC的設備清單以及各種文書的記載。ATC是以此為基準,因此參照CTS也能夠進行與ATC相同的測試。
CTS也必須隨著HDMI規格變更,如由1.2轉換到1.3時,追加色深(Deep Color)、Type C小型連接器以及均壓線(Equalizer),其位元速率也從1.65Gbit/s跳升到3.4Gbit/s,因此連接線的測試對象也要追加,測量儀器也要高性能化。
CTS測試對象/項目
CTS的主要經緯是測試對象以及測試項目。測試對象包含HDMI所規範的四個分類裝置,包括來源端(Source)測試、接收端(Sink)測試、連接線測試、訊號重複器或是中繼器(Repeater)測試。測試的主項目大致上有最小化傳輸差分訊號(TMDS)收發器測試、直接數位控制線(DDC)訊號線測試、HDMI延伸的消費電子控制(CEC)測試、高頻寬數位內容保護(HDCP)內容保護機制的測試。
測量的內容以及所使用的儀器,會因為裝置有所差異。如1.2與1.3版本,儀器器材上就有所差異。
就來源端裝置來說,重心是觀測HDMI端子所送出去的訊號,確認一些參數是否符合要求值,使用儀器以示波器為主;至於連結層式捕捉數位資訊,確認資料的順序、時序規範是否正確,一般是以協定分析儀(Protocol Analyzer)為主,如Blu-ray、HD DVD、DVD播放器、機上盒(STB)等皆是典型代表產品,其輸出是快速的0、1波形,頻率是位元率一半的矩形波。
所選用的示波器必須能夠忠實地再現這些矩形波。矩形波內含有奇數方的高週波。而高週波的成分,會隨著次數成反比。一般,若能取得五次高週波的頻段,儀器在測試上該是足夠。
五次高週波的頻率也就是位元率的2.5倍。若是以HDMI 1.3的最高3.4Gbit/s來說,那麼3.4×2.5=8.5GHz頻帶的示波器就有其必要性(表1)。CTS中並無記載與頻帶幅相關聯的可測量之最短上升時間關係。依據HDMI的規格,規定訊號的上升時間低於75ps,CTS所建議示波器的上升時間47ps是妥當的。
|
表1 針對來源端裝置測試示波器的基本要求規格 |
||
| 所對應的HDMI規格版本 | 1.0 ~ 1.2 版本 | 1.3版本 |
| 測試的資料傳送速度 | 低於1.65Gbit/s | 低於3.4Gbit/s |
| 頻率帶域 | 4GHz | 8GHz |
| 訊號上升時間(參考值) | 100ps | 47ps |
| 波形記憶體長度 | 高於16M個取樣測試點 | |
| 輸入通道 | 超過2個通道 | |
| 使用探棒 | 差動SMA | 差動SMA |
| 測試軟體 | HDMI專用軟體 | |
另外一個攸關示波器性能的要素是波形記憶體的長度。數位示波器能夠以記錄記憶體長度的最高取樣來表現。
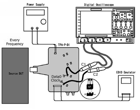
考量測試系統全體的性能,除了示波器要有足夠的頻寬外,探棒、測試治具(Fixture)以及連接線的性能都要兼備(圖4)。考量這些要素,可以看到廠商選用對於高頻介電損失的鐵氟龍(Teflon)材料,此外,接續部分都要謹慎防止阻抗不匹配,怕引起訊號反射。
![]() |
| 圖4 一般HDMI測試連接時的組態樣子 |
所謂的1Tbit(表2),是指時脈訊號一個位元的時間,是資料訊號週期的十分之一(圖5);也是用來表示抖動量的單位。通常訊號一個位元的時間,多是以UI來表示,兩者意義相似。由於HDMI資料訊號一個位元的時間未能對應一樣的時脈訊號,因而才會使用別的單位。
| 表2 來源端裝置的測量參數 | |||
| 測試參數 | 標準值 | 下限 | 上限 |
| 差動電壓振幅 | 1.0V | 0.8V |
1.2V(1.4V:165MHz場合)
|
| 訊號上升下降時間 | 沒有規定 | 75ps | 0.4Tbit |
| 差動對線之間Skew | 0秒 | 沒有規定 | 2Tbit |
| 差動對線內部Skew | 0秒 | 沒有規定 | 0.15Tbit |
| Clock Duty | 50% | 40% | 60% |
| 時脈抖動(Clock Jitter) | 沒有規定 | 沒有規定 | 0.25Tbit |
![]() |
| 圖5 Tpixel與Tbit之間的依存關係圖 |
CTS對於相互接續性的確認手法,頗為嚴格,波形至少取得一萬回,才能求得頻度分布柱狀圖(Histogram)。現在內含有統計處理測試機能的儀器,幾乎成為標準配備。HDMI採用TMDS傳送方式、畫素的時脈訊號與十倍位元率的資料訊號送出,在一般情況下,送出資料訊號的抖動量是以傳送時脈的時脈為基準來測量,而HDMI卻難以如此方式來運作。
HDMI資料訊號的抖動是定義以接收IC的讀出時序為基準,而此讀出時序是以來源端時脈訊號(內含抖動)送至接收IC內部的時脈回復單元(Clock Recovery Unit, CRU)的十倍所達成。顯而易見,會受到來源端時脈訊號抖動所影響,因此,測量傳送訊號的品質須考量接收IC讀出時序可能的偏移。市面上針對HDMI測試度量的軟體,都能夠再現合乎HDMI規格的CRU動作。
另一個特徵點是資料通道之間歪斜(Skew)的測量。一般的並列式資料傳送,大多是比一個位元槽更小的時間差,是以特定的邊緣來確認;但HDMI的容許時間差卻是兩個位元,因此要決定邊緣的對應關係,並沒有那麼容易。HDMI視訊訊號之同步脈衝,也就是遮沒期間,有分配特殊碼。注目此位元模式(Pattern),就能夠見到對應的位元。若是從長大的位元列中檢索此碼,多要依賴專用的軟體來計算時間差。
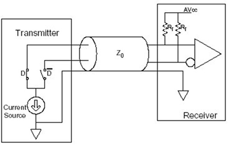
在來源端送出訊號之前,也必須作好事前的準備。熱插拔檢知訊號HPD(Hot Plug Detect)施予2伏特以上的電壓。由於來源端會送出5伏特,5伏特以及HPD可以構成一個迴路,中間用1K歐姆的阻抗接續即可。
其二,TMDS訊號的終端條件。本來TMDS訊號線,其差動的各個訊號,由50歐姆終端阻抗,拉高到3.3伏特,來源端以電流開關的方式來驅動電壓的變化(圖6)。有些傳送IC會設計追蹤電壓的變化,若發現終端條件有問題,會停止資料與時脈的輸出,多數的做法似乎是去觀察時脈訊號線的終端條件。
![]() |
| 圖6 TMDS訊號驅動概念圖 |
利用示波器來測量的場合,在電源的拉高電阻內建之探棒上,沒有大問題。但前提是需要一條時脈訊號線以及三條資料訊號線,因此須分別準備四條探棒。
再來,就是令人頭疼的內容保護問題。HDMI乃是採用HDCP機制,認證鍵(key)若是失敗,本來的訊號送不出去,便無法正確測量。來源端與接收端乃是透過TMDS以及DDC來進行辨識鍵的認證手續。DDC通道就好像存取延伸顯示辨識碼(EDID)資料般,從來源端可見到接收端的公開鍵。然而,TMDS訊號線接上示波器後,無法完成認證處理。認證沒有成功之際,傳送IC的動作可能有兩種處理方式。一種是將畫像資料作拼湊(Scramble)處理,然後輸出訊號;另外一種是停止訊號輸出,再行認證。後者的測試極為困難,目前的狀況是,沒有完善的解決對策。進行規格認證測試之際,多是關閉HDCP的機能,即使依賴ATC的測試,也是以停止HDCP的機能為原則。
接收端須確認訊號接收功能
接收端的測試,理所當然就是要確認訊號的接收功能。在輸入端子輸入各式各樣的試驗訊號,觀察是否可以正確反應。在容許上、下限範圍,以訊號振幅、頻率還有抖動輸入搖擺來測試。選用數位樣式(Digital Pattern)產生器,可以產生正確訊號加上鎖定搖擺範圍。
接收端的測試,幾乎都是以電視、顯示器為主,主要重心為含有規格內抖動的訊號在接收端IC,確認可以無誤的接收。為此,發生試驗訊號的訊號產生器之作業為重點,也就是須注意複雜的設定,而其最終出來的訊號,仍以目視檢查。
接收端的測試項目,基本上區分成邏輯層以及實體層。邏輯層基本上是使用訊號產生器的標準訊號;相對於此,實體層的測試必須涵蓋規格容許範圍之內的壓力測試(Stress Test)。CTS建議採用能夠產生任意數位波形位元樣式的儀器為原則。壓力測試的主項目是電壓振幅、位元速率以及訊號的抖動,電壓振幅的最小值就是接收感度的測試,最大值則是觀測其容許程度;泛用的位元樣式產生器,對於電壓振幅以及位元率的產生,都是輕而易舉;麻煩的是訊號抖動的問題。
兩大類訊號抖動測試方式迥異
HDMI有定義來源端的最低訊號品質測試點TP1以及接收端的TP2,分別有其眼狀圖的規定(圖7)。接收端的抖動容許值、時脈訊號與畫像資料分開獨立定義(表3)。
![]() |
| 圖7 HDMI的測試點 |
| 表3 Tp1與Tp2抖動的容許值 | ||
| 訊號線 | 來源端輸出(TP1) | 接收端輸入(TP2) |
| 資料線(D1,D2,D3) | 0.3Tbit | 0.5Tbit |
| 時脈線 | 0.25Tbit | 0.3Tbit |
訊號抖動的測試之所以麻煩,根本原因就在於訊號抖動的種類太多,甚至每家儀器廠商的歸類也不盡相同,何況各家的測量演算方法也可能有所差異(表4)。不過,原則上是可將訊號抖動歸納成兩大類,一類是可預測的不安狀態(Deterministic Jitter, DJ);其二為無法預測的隨機不安狀態(Random Jitter, RJ),如週期性的抖動(Periodic Jitter, PJ),以及資料相依存抖動(Data Dependent Jitter, DDJ),均屬於DJ的範疇。
| 表4 接收端試驗的抖動施加方式與抖動頻率 | ||||
| 資料輸入訊號所施加的抖動頻率成分 | 時脈輸入訊號所施加的抖動頻率成分 | 資料訊號抖動的容許值 | 時脈訊號抖動的容許值 | |
| 要求值 | 沒有 |
500KHz + 10MHz 或是1MHz + 7MHz |
0.3Tbit | 0.25Tbit |
| 選項 | 500KHz或是1MHz | 10MHz或是7MHz | ||
HDMI的接收端測試,PJ成分利用訊號產生器作出,屬於週期性,與資料內容沒有依存關係,此外,再利用連接線等傳送特性附加DDJ成分。至於,RJ成分則難以試驗。
試驗是使用單一頻率的正弦波或是兩個頻率重疊的正弦波之抖動成分。將時間的變動經富立葉轉換的話,可以得到一個或兩個頻譜。TMDS的時脈與畫素資料均為抖動的調變對象。
PJ週期性抖動所施加的方式,大致有三個種類。第一種方式,數位模式(Digital Pattern)產生器的位元時脈是由外部所供給的模式。優點是所施加抖動訊號的自由度比較高;缺點是畫素資料與時脈訊號有各自的系統,成本費用較高。外部須連接基準頻率產生器、時脈訊號產生器1、時脈訊號產生器2。
第二種方式,數位位元樣式產生器的輸出模組,能夠自行單獨相位調變。其外部僅須連接一個抖動訊號產生器,成本較低;缺點為要取得抖動的最大振幅不易。
第三種方式,乃是任意波形產生器(AWG)與數位位元樣式產生器的組合。TMDS的時脈訊號是由AWG所產生,AWG並輸入數位位元樣式產生器,使用的自由度高,費用中等。若是高位元率的場合,對於AWG的要求就比較嚴格。
也許,第二種方式是最現實的選擇方式,也說不定。
無論是採用上述的哪一種方法,須注意數位位元樣式產生器時脈訊號的設定手法,接收IC的讀出時序與其CRU的特性有依存關係,簡而言之,即須配合接收IC的內部線路來調整訊號產生器。
將訊號產生器送過來的時脈訊號、資料訊號以及CRU讀出的時序,分別用Jc、Jd、Jr來表示。而HDMI規定的時脈抖動以及資料抖動,分別是Jclk、Jdata。CRU單元的輸出入抖動關係,可用以下的數學公式來表現:
Jr = F(Jc)
其中的F,可視為截止頻率為4GHz的低通濾波器函數。
Jclk = Jc–Jr = Jc–F(Jc)
Jdata = Jd + Jr
Jc實際上是數位位元樣式產生器變化兩頻率的各抖動成分之振幅v1以及v2。HDMI規格對於時脈抖動以及資料抖動分別採用G(v1,v2)、H(v1,v2)來表示。調整後的換算,乃是仰賴測量用的軟體(圖8)。
![]() |
| 圖8 抖動分析軟體範例 |
以上施加的PJ再追加與資料相依的DDJ,作成最終的試驗訊號。DDJ乃是利用符號間干涉內部訊號干擾(ISI)傳送線路波形品質的劣化,目的是藉由HDMI規格容許最低品質的連接線,進行給接收端的試驗。這些傳輸線路的連接線或是線路板,稱為纜線模擬器(Cable Emulator, CE)。數位位元樣式產生器所施加的PJ訊號,在TP1是設定於最惡劣的條件下。
市面販賣的CE,有些是與連接線同樣形狀的傳輸線路,或由衰減高頻的低通濾波器構成,還有合成複雜集中定數的近似特性等種類。特性的可能變動或是隨著時間久後可能的變動,是令人擔憂的現狀。
此外,CE的供給體制不是十分完備,因此針對一些實施自我測試(Self Test)的廠家,即須考量替代方案,其中,製造一條特性略劣的連接線亦為一種方法,但須與TP1的輸入訊號一致,能夠調整TP2的近似開口率,即可作為CE來使用。然而,作為訊號來源的數位模式產生器,市場存在不同廠商推出的產品,最大差異乃於訊號的上升時間。有種稱為過渡時間控制(Transition Time Control, TTC)模組的低通濾波器,在CE前插入可調整達成與TP1相同的上升時間。
以上所說抖動的測試,是隸屬於實體層的試驗。CTS還規定有上層邏輯層的試驗,確保HDMI能夠傳送RGB、YCbCr等畫像資料,還有聲音資料以及相關連的資訊封包,其有測試樣式的規範(表5)。
|
表5 接收端的測試 |
|
| 試驗項目 | 試驗內容 |
| Word同步 | 確認用最少的CTL碼能夠同步 |
| 認識封包 | 確認各種封包的認識 |
| 視訊格式 | 想定畫像資料格式(解析度)的資料傳送 |
| 色彩編碼 | 用RGB或YCC色彩,確認編碼訊號的傳送 |
| Audio時脈 | 確認從聲音訊號產生時脈的功能 |
| Audio格式 | 確認兩聲道或是8聲道的聲音格式傳送 |
| 與DVI的互換相容性 | 確認DVI訊號的傳送 |
| 色深的對應 | 確認色深格式的傳送 |
邏輯層測試確保影音資料傳送完整
以上這些測試項目能夠利用訊號產生器來達成。一般數位電視所支援的解析度多樣,規格認證試驗依照各產品所記載的解析度,做詳細的檢證。基本上是以目視來確認。
而聲音資料的測試,基本上可以線性的脈碼調變(PCM)聲音作對應。二聲道的聲音具備48K/44.1K/32KHz的取樣頻率;亦有八聲道的測試聲音資料,而聲音封包資料傳送時序不一樣的場合,以及緩衝器處理的確認,並從影像畫素的時脈,產生聲音取樣時脈的確認等。
資料傳送用封包的測試,也定義內涵封包的測試樣式。如此多的封包樣式進行確認過於困難,這方面的測試基本上也僅止於能確認封包的程度。除非封包的重要性提高,如有靜音(Mute)、封包內的同步資訊處理等,就有必要來確認。
HDMI 1.3之後所追加的DeepColor、xvYCC的對應確認樣式也是重要一環,至於單位元的音樂流或是DTS等級高音質音樂格式測試,預計爾後應會追加。
對於接收端來說,從HDMI的輸入連接器到接收IC的傳送線路特性阻抗,也要進行測試。除了連接器與線路板的走線,濾波元件以及靜電保護元件也是量測的對象,畢竟,高速傳輸最在意的阻抗匹配忽視不得。實際的測試方式是利用廣帶域的取樣示波器、搭配即為高速的脈衝產生器,用TDR或是時域穿透(Time Domain Transmission, TDT)的手法。雖然來源端沒有特性阻抗的項目,為了安全起見,還是應加以確認。
TDR的手法,其實就是在觀測阻抗的分布,而且是在時間領域(Time Domain)裡觀測,所以觀測相當直接。至於HDMI規格的要求是在85~115歐姆之間。
測試時間/再現性為ATC兩大挑戰
ATC機關目前約是六個,日本有二、大陸有二、歐美各一。而HDMI測試容許「自行測試」的方式。意思是說,授權契約廠商可設立自己的設備,在公司內部實施認證測試。此種方式對於大量出貨的大型公司相對有利,可以減輕往返的測試作業,也能夠保護新產品的機密。
ATC目前最大的課題,也許是測試時間的縮短以及測試再現性的確保。雖說自動化測試是提升效率的法門,軟體亦須隨時改良,然TTC、CE的替換是一大瓶頸。況且,接收端的試驗要仰賴人類的眼睛與耳朵,無人化測試困難重重。
最後一提,傳統的試驗訊號產生過程是數位樣式產生器-TTC-CE-接收端測試對象,有人建議以AWG軟體合成方式(Direct Synthesis),未嘗不是一個好方案之構想。
| 註:自從2004年4月USB 2.0採用眼狀圖(Eye Diagram)作為高速傳輸訊號品質的測試測量方式後,隨後的介面或匯流排也多是以眼狀圖的量測為主。 |







