當然,這些系統需要一個主監測器,通常是一個微控制器(MCU)或電池管理單元(BMU)的類比數位轉換器(ADC)介面,以提供精確的測量數據,並進行單電池(Cell)之間的平衡(此可保證所有的單電池都是在相同電壓準位下充電)。但必然會討論的主題為是否要包含一個冗餘監測器(Redundant Monitor),或稱安全監測器、備用監測器,以及判斷必須監控的情形有哪些(圖1)。在定位冗餘監測器的規格之前,重要的是要先檢視鋰電池的性質。
![]() |
| 圖1 典型的電池監測系統 |
鋰電池為新一代汽車電池新選
鋰電池正成為汽車領域取代鎳氫(NiMH)電池的新選擇,因其具備多項優勢包括更長的壽命,能承受更多的充電週期;更高能量密度,更輕重量或更大電壓範圍;低自放電率,更長儲存壽命;更高單電池電壓;靈活外型,較鎳氫電池體積更小等。
上述優勢使鋰電池成為車用電池的未來選擇,此無疑將有助於擴大HEV和PHEV的OEM汽車生產線,同時讓EV量產的可能性更高。不過,鋰電池與鎳氫電池尚有些與安全性有關的缺點,可能會對系統設計造成重大影響,如過充電,可能會造成熱失控和氣體外洩;過放電,電池會損壞和容量減少;而因溫度特性,高溫對電池有害,寒冷時電池的狀態又差;而且成本也高。
以上這些特性的影響程度大小取決於化學特性,如磷酸鐵鋰(LiFePO4)較安全和具較低熱失控比率,然所有已量產的化學配方,或多或少會出現上述特性。
加入冗餘監測器勢在必行
很明顯的,要精確監測單電池電壓、充電狀態和電阻值,需要能妥善管理的鋰電池系統。但只有一種監測器夠用嗎?審視上述幾個問題的特點,須考慮以下事項。
安全性為首要顧慮
由於鋰電池已實際使用,因此須受到重視。雖然鋰離子電池在汽車的應用尚未累積足夠的經驗,但在筆記型電腦(NB)和其他應用所發生的火災仍受到安全性的關注。儘管電池製造的品質有一定程度的提升,但考慮到汽車與NB使用的電池總能量和體積龐大,安全性已成為首要考量。因此,防範過度充電和過高溫度的狀態非常重要。
減少電池損壞機率
儘管鋰電池有其優勢,但也顯著增加車輛的成本。使用於PHEV的電池系統,其較早之前發布的估計成本為10,000美元以上。若這些電池損壞或壽命縮短,對OEM將是災難。若因監測器不正常,發生過放電的情況而損害電池,將使得車主更換電池時間比預期快,OEM的信譽將大大受損。此外,OEM另須自行吸收保修費用。
僅就此兩方面就足以強烈支持要有冗餘監測器,儘管增加冗餘監測器必然增加系統成本,但在九十六個單電池的電池系統中,其增加的成本可能會低於50美元。此可和過度充電、過度放電和過熱所產生的後果比較觀之。
冗餘監測器擁有間接好處
雖然安全性無疑是最重要的,但保護電池的價值也很重要,而使用冗餘或備用系統也累積了一些額外好處。
符合ISO 26262功能安全性要求
汽車電子的新法規將以汽車安全性與完整性等級(ASIL)ISO 26262發布,新的汽車專用指南仿效工業電子產品的IEC 61508標準,重點在防範各種潛在的危害,確保該系統提供安全性以適應危害狀態。這些安全範圍等級從所需的最低水平A,至最高水平D。大多數OEM和供應商的電池監測器設計目標為等級C或D。雖然該文件還沒有公開,初稿中的某些準則強調系統須防止任何單點故障造成危害;即使在「主要」監測器失效的重大事故下,危害也必須檢測出來;冗餘電路和主要電路比較,最好是不大複雜的設計,重要的是此兩組件是獨立的(如沒有共享的資源);組件的診斷範圍,其程度應符合危險等級,此點非常重要。
由於許多OEM受命遵循這些準則,電子產品供應商或電池製造商提供的監測電子產品必須考慮如何解決這些問題。有一個備用的監控系統也能協助達成目標。
兼顧FMEA要求
每位身處汽車開發環境的工作人員都知道失效模式及效應分析(FMEA)的要求。工作人員藉著各種可能發生的故障,包括嚴酷的工作狀態,如開路、短路執行此分析。顯然建立一個冗餘系統將有助於解決這些問題,使開發人員能滿足 FMEA要求。
冗餘監測器為系統提供多重保障
由於開發人員對鋰電池並不放心,必然要在過度充電、過度放電或溫度過高情況出現時採取行動。此時所採取的行動可能是嚴厲的,甚至是強烈到以手控方式完全關閉電池系統。若只依靠單一數據來源,如主監測器作出相關決定,恐將十分冒險。若再加上一套由備用監測器所提供的數據來源,或另一個選擇,有助於該系統達成正確決定,特別是在主監測器故障,使得數據不可靠之時。 此三點好處,再加上之前兩個,都構成強而有力的理由,因此一個備用或安全性的監測器不僅是考慮因素,而應強制施行。
透過監測擺脫鋰電池的缺陷
現今,已為使用一套備用監測器建立強而有力的理由,但監測器為何種形式及應監測什麼?是完全冗餘(兩個主要的監測器)、只包含主監測器的一些子功能,還是應有完全不同的特性?檢視上述各點就能得到答案。為了解決鋰電池的弱點,以符合新的安規要求,又不大幅增加成本,備用監測器應包含發出警報過壓(OV)、欠壓(UV)和過熱(OT)狀態,若開發者考慮對每種類型的警報採取不同行動,則值得為每個狀態做出不同警報;其運作完全獨立於主監測器之外(即不同的輸入、電源和參考電壓),以降低單點故障的影響;包含診斷功能,以驗證電路和警報操作;最好是全硬體解決方案,以減輕對軟體的依賴;與大多數已量產的鋰離子化學配方均可搭配;成本效益,亦即只是主監測器成本的幾分之一等重要功能。
產業範例已經到位
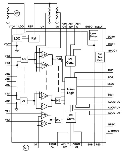
以業界開發的一種備用監測器為例,其元件方塊圖如圖2。此元件不但可符合上述條件,還被設計成AD7280(為一車用級鋰電池主監測器)的搭配元件。在監測系統中如圖1所示的其他關鍵元件,是絕緣器(如ADuM1401)和電流感測器(如ADuC703x系列)。
![]() |
| 圖2 備用監測器的方塊圖 |
主監測器和備用監測器互相配合,以收集管理系統的必要資訊,並提供額外的獨立安全機制非常重要。備用監測器的開發是以設在美國、歐洲和亞洲的領導廠商,包括電子產品供應商、電池製造商和OEM的回饋為基礎。該元件包含許多對備用監控器相當重要的功能,包括最少到六個單電池的輸入和分離的溫度輸入;可由電池組直接供電,因元件內建線性穩壓器(LDO),以供電給外接的絕緣器或溫度裝置;具有低功耗模式,在不使用時減少電池電量流失;靈活的觸發點,可工作在寬廣的警告電壓範圍,以搭配所有鋰電池化學配方;可做菊式連接以減少昂貴隔離器的需求量;包含廣泛的診斷方案,可由用戶初始設定;有內部消突波(Deglitching)電路以略去輸入瞬態;完全符合AEC-Q100認證,以滿足嚴格的車用電子品質要求;強固性足以對抗汽車內部到處都有的電磁相容(EMC)問題。
冗餘監測器需求萌芽
正如OEM,電子產品供應商和電池製造商渴望利用鋰電池的優點,並體認到以鋰電池技術的特性,恐需更強大的監測系統,以應用在下一代的混合動力電動車,以及新開發的插電式混合動力電動車和電動車中。因此,儘管實作一個備用系統,其內外有不少已知的問題必須找到答案,包括該監測什麼、如何傳入系統、如何診斷其功能、該如何靈活搭配電池的各種化學配方,以及如何協助滿足ISO26262。但系統是否需要備用監測器,此問題答案很簡單:冗餘監測器真的有其必要。
(本文作者任職於亞德諾)

