實際上,碳化矽功率元件有多種優勢,包括由於溫度特性增強可提高功率密度和可靠性,可簡化電路設計以減少對外部元件的依賴,並且允許使用更小且成本更低的被動元件。筆者比較分別使用SiC和矽技術的輔助電源(圖1)反馳式轉換器的幾種設計,便可以看到如何在普通應用中發揮SiC的這些優勢。

SiC具高穩定/低功耗特性
在功率半導體元件的製程中,SiC在價帶和導帶技術之間的能隙為3.2eV,這大約為普通矽的三倍。另外,其介電擊穿場強度大約為矽的10倍。這兩個特性共同賦予SiC元件優異的性能,包括更快的開關速度、更高的效率、更高的溫度穩定性以及更高的工作溫度上限。對於設備設計人員而言,這些特性有助於減少設備對散熱管理的需求,而不會損害可靠性。
SiC的擊穿場強度更高,使得MOSFET的漂移層可以薄得多,對於給定的擊穿電壓,其導通電阻RDS(ON)相對於晶片面積更低。為了在普通矽中實現高擊穿電壓,MOSFET具有更高的RDS(ON),進而導致更大的傳導損耗。SiC技術還允許較低的MOSFET閘極電荷(Qg),進而以較低的能量損耗實現更快的開關速度,同時具有低RDS(ON)和高擊穿電壓。
輔助電源設計挑戰待克服
太陽能變頻器、工業DC/DC轉換器、電池充電器等設備通常包含一個輔助電源單元,在主電源耗盡後為感測器模組和顯示器以及其他控制單元或驅動器等次系統供電(圖1)。為了簡化設計步驟,通常使用反馳式轉換器。來自次級側的反射電壓、最大關斷過衝和直流輸入電壓,使得主電源開關必須能夠承受最壞情況下的漏極和源極之間的電壓(圖2)。這些電壓的總和可能超過1300V。

每種方法都有各自的優點和缺點,可以考慮採用多種設計方法來確保功率電晶體能夠承受在漏極和源極端子之間施加的最壞情形電壓。其中一個方法是選擇具有高擊穿電壓(例如1500V)的功率電晶體。然而,普通的矽高壓電晶體具有相對較高的導通電阻RDS(ON),因此會導致不良的傳導損耗和散熱,亦往往具有較高的閘極電荷,導致較高的驅動損耗以及較高的漏電流,特別是在高溫下。
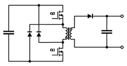
另一種替代方法則是以串聯的方式連接一對800V矽MOSFET,這需要更複雜的閘極驅動電路,並且還需要電壓平衡電路。另外,兩個元件都需要散熱器,因此增加了占用的空間。還有一種解決方案是使用雙開關反馳式拓撲結構(圖3),但代價是電路更複雜。這需要隔離的閘極驅動器和電源來控制高端開關(圖4),並且同樣地每個元件都需要散熱器。


除了上述方案,可以考慮採用具有1700V擊穿電壓和3.7A額定電流的單個SiC MOSFET元件如SCT2H12NZ,該元件結合了高擊穿電壓與低RDS(ON),其數值範圍是相近1500V矽MOSFET的二分之一到八分之一。另外,Qg和輸入電容大大降低,因此允許更高的開關頻率,進而可以使用更小的外部元件。此外,SiC能夠承受更高的工作溫度,進而降低了散熱需求。若允許單個FET反馳式電路,以最小的傳導損耗來達到所需的擊穿電壓,並且在更高的開關頻率下工作,轉而採用SiC元件,可以節省BOM成本,進而在總體上提供更經濟的解決方案。
例如專用反馳式控制器IC產品BD7682FJ用於驅動SiC MOSFET,除了為SiC元件產生建議的14到22V範圍(通常約為18V)閘極驅動訊號外,還整合了14V欠壓鎖定(UVLO)功能以避免散熱問題,還帶有輸出鉗位功能以防止SiC閘極發生過電壓。這款控制器實現了準諧振開關,把動態損耗降至最低、實現低雜訊,並採用高載模式以提高輕負載效率。BD7682FJ內建多種保護功能,例如軟啟動、每週期過電流限制器、過電壓保護和過載保護功能。
整合碳化矽電源開發板 簡化電路設計/省成本
舉例來說,半導體製造商羅姆(ROHM)創建了一個搭載SCT2H12NZ和BD7682FJ元件的100W輔助電源開發板,能夠在輸入電壓範圍為210~480V AC或300~900V DC的條件下運行。圖4顯示了輕負載(圖左)、50%負載(圖中)和標稱負載(圖右)下電晶體VGS和VDS波形。輕負載波形顯示了控制器如何在打開MOSFET之前等待幾個波谷,進而導致工作頻率低於標稱90到120kHz範圍。隨著輸出功率的增加,延遲時間減少,工作頻率增加。在標稱功率下,MOSFET在第一個波谷就會導通,在整個負載範圍內進行的測量表明,對於300到900V DC輸入電壓範圍,在標稱功率輸出下效率提高到88~92%。
羅姆藉由其輔助電源開發板,演示了在充分利用SiC元件優勢的情況下,可以實現系統級的成本節省。現在更進一步地推出BM2SCQ121T-LBZ準諧振AC/DC轉換器,完全整合了4A、1700V SiC MOSFET與BD7682FJ(圖5)的功能(包括UVLO、電壓鉗和突發模式)。這款轉換器採用方便的TO-220-6M封裝,可以比以往更為簡單地使用SiC元件進行設計,並且大幅節省零組件數目和電路板空間。

碳化矽MOSFET元件憑藉結合高額定擊穿電壓與低RDS(ON),以及高開關速度、低開關損耗和高溫性能,使得設計人員能夠在多種應用中簡化電路設計並降低材料成本,其中包括簡單的反馳式轉換器。一種新型完全整合的反馳式轉換器IC包含閘極驅動和控制電路以及內置1700V SiC MOSFET,採用易於使用的業界標準電源封裝,結合了以上優勢。
(本文作者Wolfgang Sayer為儒卓力產品線經理;Aly Mashaly為羅姆半導體AT SC電力系統總監)