隨著電力電子技術、半導體材料與工程的不斷演進,氮化鎵金氧半場效電晶體(Gallium Nitride-Metal Oxide Semiconductor Field-Effect Transistor, GaN-FET)作為新興的高頻功率開關元件,帶動能量轉換技術進入新的境界。本文將探討GaN-FET所帶來的優點,以及其在交流/直流(AC/DC)反馳式轉換器(Flyback Converter)應用中所帶來的變革及技術突破。包含簡要介紹AC/DC反馳式轉換器的基本工作原理,然後探討GaN-FET在能源領域的優勢。
AC/DC反馳式轉換器工作原理
市面上常見3C產品的AC/DC充電器,電源架構大多為反馳式轉換器,因這類轉換器有較高的效率、較小的體積和重量、較簡單的電路設計和較低的成本,一直是主流製造廠商的首選(圖1)。轉換器的電路中使用功率開關元件,傳統以矽(Si)製程為主的金屬氧化物半導體場效電晶體(Metal-Oxide-Semiconductor Field-Effect Transistor, MOSFET)在高頻操作下,開關損耗和導通損耗較大,限制了轉換器的效率和功率密度。GaN-FET則有助於AC/DC反馳式轉換器提高頻率、功率密度與效能,以及承受高溫環境的能力。AC/DC反馳式轉換器是常見的電力轉換裝置,常被應用於電源供應器和充電器等場合。其基本工作原理如下:
‧輸入端:交流電源通過變壓器進入轉換器,其中包括一個開關元件(通常是MOSFET)。
‧工作週期:透過控制開關元件的開關週期,實現能量的儲存和釋放。當開關元件導通時,變壓器儲存能量;當開關元件斷開時,能量釋放到輸出端。
‧輸出端:轉換器的輸出端通常配有整流和濾波元件,以獲得穩定的直流輸出電壓。
1.輸入交流電壓Vin(t) 經橋式整流進入濾波電容器,去除輸入電壓中的漣波Vg(t),然後透過控制工作頻率切換功率開關Q1(MOSFET)。
2.當Q1導通時,能量儲存在變壓器的磁場中,此時二極管D1關閉。
3.當Q1關閉時,變壓器的繞組極性反轉,能量轉移到輸出電路,同時二極管D1導通。
4.這樣的週期性工作使得交流電壓Vin(t) 轉換為所需的直流電壓Vo。
GaN-FET優勢
GaN-FET相較於傳統的矽基MOSFET具有一些明顯的優點,這使得它在一些特定的應用中,對產品開發人員更有吸引力。以下是GaN-FET的主要優點:
‧高電子遷移率:氮化鎵材料具有較高的電子遷移率,這意謂著電子在材料中移動的速度更快,有助於提高電子元件的性能。
‧高電子飽和速度:GaN-FET具有較高的電子飽和速度,使得它能夠在高頻率應用中表現優異。這讓GaN-FET在高速開關和射頻功率放大器等應用中效率特別突出。
‧高電壓操作:GaN-FET可以在相對較高的電壓下操作,這使得它更適合高電壓應用。
‧低通道電阻:GaN材料的物理特性使得GaN-FET具有相對低的通道電阻,有助於減小開關損失,提高效能。
‧高溫穩定性:GaN材料在高溫下仍然能夠保持穩定的性能,因此GaN-FET在高溫環境下的應用更有優勢。
‧小型尺寸:GaN元件的小型尺寸有助於製造高度整合的電路,並在為一些應用節省空間。
總體而言,GaN-FET在高頻率、高功率密度、高效能以及可耐受高溫環境等方面的優勢,使其成為一些特定應用中的理想選擇,例如雷射驅動、無線通訊、軍事雷達和電力轉換等領域。GaN和矽在相同的額定電壓下,氮化鎵元件的每單位面積的導通電阻值要低得多,也因此GaN晶片和其封裝尺寸顯著減小。
GaN-FET應用於AC/DC反馳式轉換器
GaN-FET的製程技術為橫向結構的功率元件,其物理特性具有小於Si-MOSFET十分之一以下的閘極電荷(Qg)與輸出電荷(Qoss),且沒有逆向回復電流(Irr)的問題。表1為耐壓600~650V相等級時MOSFET與GaN-FET簡易參數差異。
Qg參數影響驅動損耗,主要影響輕載效率。GaN-FET相較於Si-MOSFET,驅動損耗明顯較低。Qoss參數在軟切換的電源架構中,Qoss數值較小,則不導通時間(Dead Time)可以設計得比較短,有效傳遞能量時間可以增加,有利於提升效率。GaN-FET相較於MOSFET,不導通大幅度降低。同時,Eoss參數在硬切換的電源架構中,例反馳式架構,影響切換損失。GaN-FET相較於MOSFET,切換損失較低。而Qrr參數高在半橋架構下容易造成硬換相,較小的Qrr可以減少短路穿透(Short through)的現象發生。GaN-FET的Qrr較低,因此可以有效地避免短路的情況。
高頻操作
GaN-FET具有極低的輸入電容(Ciss)與輸出電容(Coss),因此能夠在更高的開關頻率下運行,減少變壓器體積和重量,進一步提高轉換器的效率和功率密度。
低開關損耗
GaN-FET支援非常快的開關速度應用,這表示在開關過程中損耗的能量更少,大幅提高了轉換器的效率,同時降低了散熱需求,使得系統更加可靠。
高準確性
GaN-FET的低輸出電容和快速開關速度,有助於實現更高的轉換器控制準確性和穩定性。這對於對輸出電壓精度要求較高的應用至關重要。
反馳式轉換器迎來突破
隨著GaN-FET的應用,AC/DC反馳式轉換器的技術迎來幾個重要的突破和變革。首先,高頻率操作和低通道電阻使得GaN-FET的轉換器可以更小巧輕便,尺寸和重量減少,適用於有空間限制的應用場景。
另外,由於GaN-FET的高效能特性,轉換器的整體效率提高,同時降低能量損失。在高頻率操作下,GaN-FET的高開關頻率使得轉換器能夠應對高頻率操作的需求,適用於一些對轉換器動態響應要求較高的應用場景。
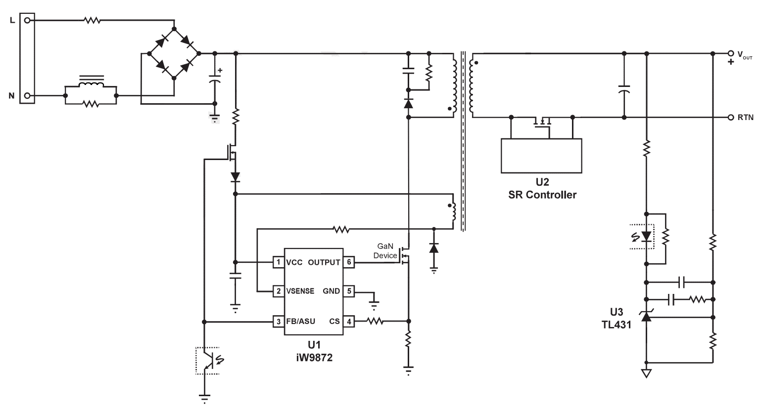
產品如Renesas的AC/DC 反馳式控制器iW9872,即採用GaN-FET搭配AC/DC反馳式轉換器的應用 (圖2、3)。此產品是用於次級側調節(SSR) AC/DC初級側數字反馳式控制器。該元件具備恆定頻率、準諧振(QR)開關模式和自適應多模式控制(MMC)。可見GaN-FET在AC/DC反馳式轉換器中的應用,為能量轉換領域帶來了顯著的技術進步,同時提升了轉換器的性能和效率,促使相關應用領域邁向更為高效、小型化、輕量化的方向。


(本文作者為茂綸技術工程副理)
參考資料
[3] https://www.renesas.com/us/en/document/bro/acdc-power-management-ics?language=en&r=481216
[4] https://www.infineon.com/cms/en/product/technology/gallium-nitride-gan/?redirId=130610